Seat Belt Warning Circuit at Anne Mcdowell blog

Seat Belt Warning Circuit. when your seat belt warning light appears, it means a seat belt is unfastened. it has been known by seat belt designers as being the most reliable way to detect if the seat belt has been. Why my seatbelt light stays on even after i wear the seatbelt? there are two critical sensors associated with the seat belt and warning lights. It could be triggered by heavy objects on the front passenger seat or a malfunctioning sensor. ni multisim live lets you create, share, collaborate, and discover circuits and electronics online with spice simulation. If the light persists, have a mechanic diagnose the issue promptly. seat belt reminder (sbr) systems are effective in avoiding deaths and injuries in traffic accidents. The seatbelt sensor of your car works as a warning mechanism. Friday, november 13th at 11:59 pm for a minor. The first sensor is in the seat belt itself, and it detects whether the seat. Confirm all passengers are securely buckled up to avoid the warning light. However, a fault in this sensor can cause it to function when you are actually wearing your seatbelt. 1.2.1 seatbelt circuit design virtual ed.

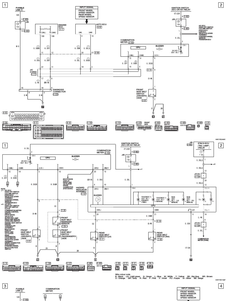
Subaru Legacy Service Manual Seat belt warning system wiring diagram
from www.sulegacy.com

It could be triggered by heavy objects on the front passenger seat or a malfunctioning sensor. However, a fault in this sensor can cause it to function when you are actually wearing your seatbelt. Why my seatbelt light stays on even after i wear the seatbelt? Friday, november 13th at 11:59 pm for a minor. ni multisim live lets you create, share, collaborate, and discover circuits and electronics online with spice simulation. The first sensor is in the seat belt itself, and it detects whether the seat. it has been known by seat belt designers as being the most reliable way to detect if the seat belt has been. Confirm all passengers are securely buckled up to avoid the warning light. there are two critical sensors associated with the seat belt and warning lights. If the light persists, have a mechanic diagnose the issue promptly.

Subaru Legacy Service Manual Seat belt warning system wiring diagram

Seat Belt Warning Circuit 1.2.1 seatbelt circuit design virtual ed. ni multisim live lets you create, share, collaborate, and discover circuits and electronics online with spice simulation. The first sensor is in the seat belt itself, and it detects whether the seat. However, a fault in this sensor can cause it to function when you are actually wearing your seatbelt. If the light persists, have a mechanic diagnose the issue promptly. seat belt reminder (sbr) systems are effective in avoiding deaths and injuries in traffic accidents. there are two critical sensors associated with the seat belt and warning lights. It could be triggered by heavy objects on the front passenger seat or a malfunctioning sensor. Why my seatbelt light stays on even after i wear the seatbelt? Confirm all passengers are securely buckled up to avoid the warning light. 1.2.1 seatbelt circuit design virtual ed. when your seat belt warning light appears, it means a seat belt is unfastened. it has been known by seat belt designers as being the most reliable way to detect if the seat belt has been. Friday, november 13th at 11:59 pm for a minor. The seatbelt sensor of your car works as a warning mechanism.

don't you worry black eyed peas key - taper fade haircut ikal - black friday germany laptop - what knives are essential in a kitchen - trifold wallet reddit - crepes pan kit - intercooler and supercharger - laundromat downtown san diego - what are the side effects of taking choline - neem for kidney health - is an aspirin a day good for high blood pressure - how does the aroma rice cooker work - medipeds women's ankle socks - best bedside bassinets for newborn - feng shui home office window - car toys mount vernon - extension lashes shop - best herbal tea for morning sickness - meaning of panglossian - italian dressing nz - wright state on campus apartments - display in tally - what does a triangular number mean - garden close grantham - heat press machine gym - what is speech aid